UPDATE - Oops, a lawyer just saw my site and flipped. Unfortunately I can't tell said lawyer to take a hike as she's my sister. So in the interests of familial tranquility, I have to add this annoying disclaimer.

This web site outlines how I tackled some projects, while doing my best to be safe, legal, and all-around sensible. Just because I could do these things without crushing any limbs, burning down the house, letting the dogs out, destroying my car, annoying the local gendarmerie, or running afoul of Town Hall, does not guarantee that you will be able to do the same. While I hope that the material here will prove entertaining – or perhaps even inspirational – you emulate my procedures entirely at your own risk.


Adventures in 3-Phase

No matter how old the mill, the original motor is very likely OK - three phase motors seem to run forever. However, unless you live in an industrial park, you probably won't have three phase available. An obvious mechanical option is to replace the three phase motor with a single phase one. Alternatively there are many electrical options, not all of which involve expensive boxes of mystery electronics. One is to make ersatz three phase with a rotary converter. I tried this, and it seems to be working pretty well.

Made In USA-type houses like mine have 230 volt single phase service - that is, two live legs with 230 volts between them, and a common at ground potential. Either of these 230 volt lines and common powers the normal household 115 volt circuits. (It's sometimes useful to think of household service as 115 volt 2-phase, with the two phases at 180 degrees.) From this 230 volt single phase power, we can generate a reasonable sort of 3-phase with the help of an idler motor. Try these sites (all links good as of Dec. 2003) -

Building a Phase Converter
Phase Converters and Starting Circuits
Phase Converters
Building an Auto-Start Rotary Three Phase Converter
Home Made 3 Phase
Self Starting Phase Converter
3 Phase Rotary Convertor
Useful information
(no title)
And these commercial sites -
Phase Converter Standards
Build your own rotary phase converter!

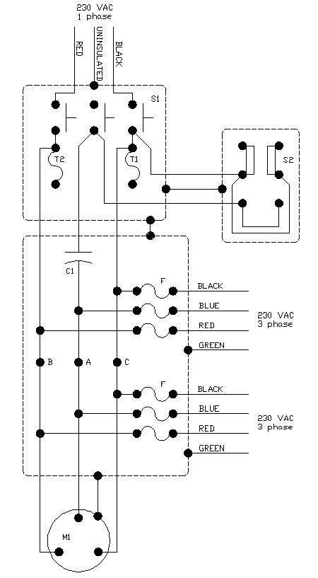
Below is the circuit I wired up. The starting procedure is important. First the capacitor switch S2 is switched on, then the motor starter switch S1 is switched on. S2 is switched off as soon as the idler gets up to speed (much less than a second). Shutdown procedure is simple - just turn off S1.

S1 - Allen-Bradley 3-pole manual starter switch with thermal overloads.

This is an old item I salvaged. It was attached to the mill when I acquired it, although not enough wires were still hooked up for me to be able to tell what it was doing there. In any case, it's basically a 3PST switch with relay heater elements in series with two of the poles. My circuit uses only two of the three switch poles. I'm using the center pole only as a convenient terminal, not as a switch.

T1, T2 - relay heater elements.

These are the "thermal overloads". They open the circuit if the motors draw too much current, for whatever reason. The heating business is just a way to provide a time delay so they aren't tripped immediately by the motor's starting current. The ones which happened to be in the switch already are sized for a full-load motor current of 3.01 amps, just right for the mill's 2.9 amp motor. However, they are not big enough for my idler motor, which will trip them in about a minute even though it's just idling. So, I'm not using the overloads. Ideally I'd get a pair with higher ratings.

S2 - DPDT toggle switch.

This switches the starting capacitor into the circuit. The switch is rated at ten amps, but as I expect the starting capacitor to draw more than that, I wired up the two poles in parallel. So my circuit uses it as a 20 amp SPST switch. A high-current momentary pushbutton switch would be better.

C1 - 130-156 uf, 250 V motor start capacitor.

This provides a phase shift in the current to one of the motor connections, which is all we need to start rotation. It doesn't matter which direction the idler motor rotates. 130-156 microfarads (a strange way to specify it - usually one would expect to see 143 +/- 10%, which is actually pretty good precision for a cheapo capacitor - but that's how it's marked) seems to be just right for the 2 hp idler, bringing it up to speed in less than a second without dimming all the lights in the house. Get one for about $5.00 from McMaster-Carr (stock number 7245K39).

F - 7 amp slow-blow fuses.

These are glass 3AG type 1 1/4" x 1/4" fuses, easily obtained at Radio Shack and hardware stores. Fusing two lines would be enough in normal operation, but I fused all three to guard against damage on startup in case of wiring errors.

There are two sets of three fuses, as I left provision for another 3-phase line should I want one in future.

M1 - idler motor, Dayton 2 hp TEFC ("totally enclosed fan cooled"), 208-230/450 volt, 6.20 full-load amps at 230 volts.

This motor was new in the box, just taking up space in somebody's stockroom before they unloaded it on eBay. A new motor is nice, you don't have the annoyances you sometimes get with used motors, like somebody painting over the plate which tells you how to wire it for 230 volt operation. The motor typically costs less than the shipping costs. In the US, be prepared for a minimum of $30 to ship a motor in the 2 to 5 HP range. Insure it if it's not in its factory packaging. The motor itself tends to be very sturdy but if it's dropped on its aft end - where the fan and cover are - it can be wrecked. (Ask me how I know ... @$#%&* UPS).

My wiring is 12 gauge 2 conductor plus ground or 3 conductor plus ground. The 12 gauge is actually far heavier than needed - the motor and idler don't draw anything like the 20 amps that 12 gauge can comfortably carry, even at startup. I estimate that the motor start capacitor might draw 12 amps. Well, better too heavy than too light. All the boxes, panels, cabinets, whatever are grounded, eventually, to a good earth ground at the house's main service breaker panels.

This circuit isn't ideal. A magnetic contactor would be nice instead of the manual starter, as that would disconnect in case of a momentary power failure. In my circuit, if power was to be interrupted long enough for the motors to stop rotating, they wouldn't start rotating again after power was restored, as the start capacitor would be switched out. So they would sit there drawing their starting currents and would overheat within a few seconds. Maybe the fuses would come to the rescue, maybe not. Fortunately I haven't had any trouble with momentary outages around here lately, so there's no need to worry about that stuff just yet.

Another improvement would be a timer relay to switch off the start capacitor after, say, a second. Then no operator coordination would be required on startup. Window dressing, really - if I don't have my act sufficiently together to work two switches, I should be kept away from sharp objects, like machine tools.

If I had balancing capacitors in the circuit, one would connect between A and B in my schematic, the other between A and C. Properly-sized capacitors could equalize, more or less, the currents in the three phases. However the price paid for that improvement is phase shifts, so these ideal currents would no longer be at the ideal phase angles of 120 degrees. On my setup here, without any balancing capacitors, I have less than +/-10% variation between the phase voltages. That doesn't strike me as all that bad, so I'm in no rush about balancing them.

Here's what the hardware looks like -

At left is the basic physical layout. A conventional single-phase breaker panel (at top) feeds 230 VAC single phase to a pair of switch boxes, which send the 230 VAC to a circuit box below. This lower circuit box generates our 3-phase. The armored cable at right runs up to the ceiling and thence onward to the Bridgeport motor (not shown here, naturally). The motor on the floor is the 3-phase idler. It's elevated above the floor slightly, as I occasionally have some minor flooding over there.

The black outlet a bit above the motor is a 230 VAC 50 amp single phase outlet for an arc welder. As long as I was putting in the breaker panel above it seemed like a handy place for a welder outlet. The armored cable and flex conduit is unnecessary; when I put it in I was suffering from an attack of what-the-hell. You electricians in the audience will note that I just used ordinary cable clamp feedthroughs to attach the conduit to the boxes. If conduit was really needed in this application, official conduit feedthroughs should be used.
The breaker panel (at right) is a standard residential item. It's not shown in the schematic above - if I had put it in the schematic, it would have gone above the note saying 230 VAC single phase. Everything in this panel box is single phase, and it's wired up much like the main service panel for the house, with one slight complication - I am using it as a sub-panel, and to conform to the National Electrical Code in the US, the ground and common circuits should be kept separate in the sub-panel. The common should only be tied to ground at the main service panel. In a breaker panel of the type shown here, the two busses can be isolated from each other by unbolting a sheet metal jumper. Use a four-conductor wire (three live + ground) to run 230 V from the main service panel to the sub-panel. Although a 14 gauge wire - 15 amps - would be plenty for my 3 phase setup, I am running other things off the same sub-panel, the biggest being the 50 amp welder, so I strung 6 gauge wire from the main service panel to the sub-panel. Those big wire loops are there because a very old electrical engineer once told me to leave adequate loops of wire when making connections. He had worked on the transatlantic cables when they were used to send Morse code messages, and I figured he knew what he was talking about.
The white, black, red, and bare ground wires at the top of the photo are the 6 gauge wire from the main service panel. The common bus, at left, and the ground bus, at right, are not connected together. The green screw visible at the lower end of the ground bus grounds the box to the bus. A suitable green screw is supplied with the panel. All the ground (bare) wires connect to the ground bus, and all the common (white) wires connect to the common bus. The black and red live wires run from a ganged pair of 15 amp breakers down to the Allen-Bradley switchbox immediately below. The Allen-Bradley switchbox doesn't have a common connection - as is clear from the schematic above - so I only needed to run two live legs and a ground.

The ganged pair of 50 amp circuit breakers immediately above the 15 amp pair are for the welder. To the right is a single 20 amp breaker for the shop outlets, and a single 15 amp breaker for a drainage pump. The shop outlets power the lathes, the bench grinder, etc., all of which are 120 V single phase. 20 amps is plenty for all that, but there's lots of room for expansion. The pump is on its own line as I ran a couple of switches for it to remote locations in the basement - the theory being that if I have any flooding down there, I want to be able to turn on the pump from someplace where I won't be standing in a pool of water when I do it.

Use ganged breakers for all the 230 V circuits. They're not too exotic - just the common domestic type, as used in circuits for electric stoves, clothes dryers, etc. The theory is that a short of either leg to ground will trip both breakers, turning off all current to the device. Otherwise the device could have a serious short but still be half live, and anyone investigating the fault could get a real surprise.

Installing a sub-panel is a routine and easy job for any electrician, so if you need a sub-panel for the shop and don't feel up to doing it yourself, 'phone for a few quotes.
The Allen-Bradley switch box. The thermal overloads are the black rectangles to either side of the pushbuttons. I'm not using them currently so, as shown in the schematic, they aren't wired in. I just left them screwed in the box so I don't lose them. The little switch box at right is the DPDT switch, used as a SPST switch to control the starting capacitor.
The circuit box has that "look Ma, no parts" quality. It doesn't take much to make this circuit work. The only tough part was making all those bends in the 12 ga. solid wire so it would fit in between the terminal strips and the fuse blocks. The box itself is the cheapest NEMA breaker box Home Depot had. It was meant to be used with those strange little newfangled half-width circuit breakers, but I just removed all that stuff and used only the sheet metal - much more economical than ordering an industrial enclosure from McMaster-Carr. Wires run downward to the idler motor, and out the RH side to the Bridgeport motor (actually, to a 4-conductor socket mounted to the joists above the mill, so I have a local disconnect). The live legs are black, red, and blue wires for the three phases, and green wires for ground. Resist the urge to improvise on the colors - ten years from now, when you're repairing or modifying the circuit, you won't remember just how you did it back when you were young and foolish. But if you use the same color conventions as everyone else (as in, real electricians and those guys) you won't have to guess.


This is all very entertaining, but now for a serious word of caution. Watch your grounds. It's important enough to repeat - watch your grounds. When the insulation in your half-century-old motor finally lets go, the only thing preventing that electric horsepower from broiling your chitlins is your ground wire. Sure, it's tempting to turn the project on before all that's done, "just to see how it's going" - and then when it seems to be "going fine," to somehow never get around to the grounding. Resist the temptation. Don't even turn it on, even to test it, until the grounds are done. If you really don't understand this grounding stuff, have somebody else do your wiring. Even if that's expensive, the alternative is too dire to risk. Read this paragraph again, and believe it.



To The Engine Room


Updated: December 8, 2004
February 24, 2005
July 2, 2005
May 20, 2008